Pushpak Pro C & Pro Z Purlin


C and Z purlins are structural elements commonly used in the construction of buildings, especially in the roofing and wall framing systems. They are cold-formed steel sections shaped like the letters "C" and "Z," hence their names. These purlins provide support for the roof or wall cladding and help transfer the loads from the roof to the primary structural framework of the building. Let's take a closer look at C and Z purlins:


Pro C Purlins



Pro Z Purlins



Box Purlin

Pro C Purlins

Pro C purlins have a shape resembling the letter "C" when viewed in cross-section. They are typically used in roofing systems and are installed horizontally along the length of the roof, parallel to the primary structural beams or rafters. The flat section of the C purlin provides a stable surface for attaching the roof cladding or sheeting, while the lips on the edges help in providing rigidity and support.



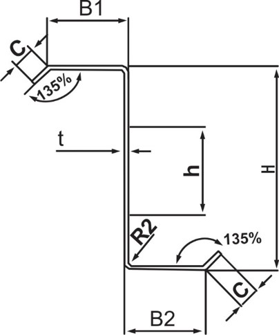
Pro Z Purlins

Pro Z purlins have a shape resembling the letter "Z" when viewed in cross-section. They are often used in wall framing systems and can also be used in roofing applications when additional strength is required. Z purlins are installed vertically between the roof or wall cladding, perpendicular to the primary structural framework of the building. The design of the Z purlin allows it to provide more bending strength and support compared to C purlins, making them suitable for larger spans and heavier loads.


Advantages of Pro C and Pro Z Purlins:

  • Lightweight: Being made from cold-formed steel, C and Z purlins are lightweight, which makes them easier to handle and install.
  • Cost-Effective: They are cost-effective compared to traditional hot-rolled steel sections, reducing the overall construction expenses.
  • High Strength-to-Weight Ratio: C and Z purlins offer a high strength-to-weight ratio, making them efficient in supporting roof and wall loads without adding excessive weight to the structure.
  • Versatility: C and Z purlins can be easily customized to various lengths and sizes, allowing for flexibility in design and construction.

Installation:

Pro C and Pro Z purlins are usually pre-punched with holes for easier installation. They are fixed to the primary structural framework using bolts, screws, or other fasteners. The spacing and size of the purlins depend on the design requirements and the loads they need to support.


Applications:

Pro C and Pro Z purlins are commonly used in commercial, industrial, and agricultural buildings as a structural component for the roof and wall systems. They are also used in the construction of warehouses, factories, workshops, and various other types of buildings.

Overall, C and Z purlins are essential components in modern construction, providing strength, stability, and cost-effectiveness to roofing and wall framing systems

×

Get In Touch

Contact Info

Phone number

+91 8554-844448

Email address

info@coloursteel.com

Address info

Office No. 506, Suyog Center, Gultekdi, Marketyard, Pune - 411 037